Engineers Garage

  • Electronic Projects & Tutorials
    • Electronic Projects
      • Arduino Projects
      • AVR
      • Raspberry pi
      • ESP8266
      • BeagleBone
      • 8051 Microcontroller
      • ARM
      • PIC Microcontroller
      • STM32
    • Tutorials
      • Audio Electronics
      • Battery Management
      • Brainwave
      • Electric Vehicles
      • EMI/EMC/RFI
      • Hardware Filters
      • IoT tutorials
      • Power Tutorials
      • Python
      • Sensors
      • USB
      • VHDL
    • Circuit Design
    • Project Videos
    • Components
  • Articles
    • Tech Articles
    • Insight
    • Invention Stories
    • How to
    • What Is
  • News
    • Electronic Product News
    • Business News
    • Company/Start-up News
    • DIY Reviews
    • Guest Post
  • Forums
    • EDABoard.com
    • Electro-Tech-Online
    • EG Forum Archive
  • DigiKey Store
    • Cables, Wires
    • Connectors, Interconnect
    • Discrete
    • Electromechanical
    • Embedded Computers
    • Enclosures, Hardware, Office
    • Integrated Circuits (ICs)
    • Isolators
    • LED/Optoelectronics
    • Passive
    • Power, Circuit Protection
    • Programmers
    • RF, Wireless
    • Semiconductors
    • Sensors, Transducers
    • Test Products
    • Tools
  • Learn
    • eBooks/Tech Tips
    • Design Guides
    • Learning Center
    • Tech Toolboxes
    • Webinars & Digital Events
  • Resources
    • Digital Issues
    • EE Training Days
    • LEAP Awards
    • Podcasts
    • Webinars / Digital Events
    • White Papers
    • Engineering Diversity & Inclusion
    • DesignFast
  • Guest Post Guidelines
  • Advertise
  • Subscribe

Arduino-based token display board controller

By Nikhil Agnihotri December 10, 2024

You must have noticed token display boards at many places like food stores, hospitals, banks, various takeaways, etc. Token display systems are used to display token numbers. As these display boards show numeric information, these are easily designed using 7-segment LEDs. The commercial models use large 7-segment LEDs to display token numbers. It is even possible to prototype a model using Arduino.

In this project, we have designed a token display system using the popular prototyping board – the Arduino and 7-segment LEDs. A token display board generally requires two or three 7-segment units. For multiplexing these units, MAX7219  IC is used in this project. The Arduino controls setting the token number. This system is designed to initialize token numbers to zero on power-up. The user can increase or decrease token numbers using two pushbuttons provided as a user interface. The token number can never be negative, so the token counter can never be decremented below zero.

Components required

  1. Arduino UNO x1
  2. 7-Segments x3
  3. MAX7219 IC x1
  4. Push buttons x2
  5. Breadboard x1
  6. Jumper wires or connecting wires

Prerequisites

  1. Interfacing push buttons with Arduino
  2. Multiplexing 7-segments using MAX7219

Circuit Connections

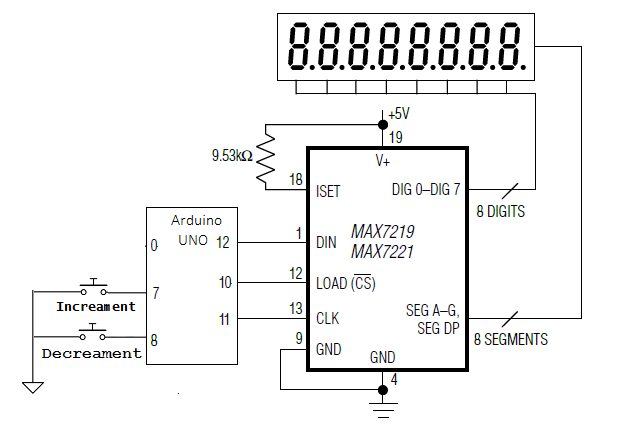
We have designed a token display board here using the MAX7219 IC-based 7-segment driver module. MAX7219 is an 8-digit common-cathode LED display driver. It allows interfacing a microcontroller to 7-segment display units up to 8 digits. Here, we use only 3 digits of the module. In the module, the data pins of the 7-segments are connected to SEG A to SEG G and DP pins of MAX7219. The common-cathode terminals of the segments are connected to the DIG0 to DIG7 pins of MAX7219. Pins 4 and 9 of the IC are hard-wired to ground, and pin 19 is connected to the 5V terminal. The pin 18 of MAX7219 is also connected to 5V DC via a suitable resistor. The DIN, LOAD, and CLK pins of the IC can be connected to digital I/O pins of Arduino.

Example of MAX7219 IC-based 7-segment module.

MAX7219 communicates with Arduino using an SPI-compatible interface. The DIN, LOAD, and CLK pins of the IC are connected to pins 12, 10, and 11 of the Arduino UNO. The MAX7219 module is supplied 5V DC and ground from the Arduino itself.

For the user-interface to the token display system, 2 push buttons are interfaced to the Arduino. These pushbuttons are interfaced at pins 7 and 8 of Arduino UNO. These Arduino pins are internally pulled up. The button interfaced at pin 7 is used to increase the token number, while the button interfaced at pin 8 is used to decrease the token number.

Circuit Diagram

Circuit diagram of Arduino-based Token Display System.

Arduino Sketch


How the circuit works

There are 3 7-segment LEDs interfaced to MAX7219 IC. These 7-segments display the token number as a whole number up to places of hundreds. The MAX7219 IC controls the digits flashed on the 7-segments. For this, it requires commands from the Arduino over the SPI interface. There are two push-buttons interfaced to the Arduino. The Arduino is programmed such that on pressing the button interfaced to pin 7, it increases the token number by one. When the button interfaced to pin 8 is pressed, it decreases the token number by one. The change in token number is immediately reflected on the 7-segments.

The code

The Arduino sketch begins by importing the SPI library of Arduino. The global variables are defined to assign pin numbers connected to DIN, CLK, and LOAD pins of MAX7219 IC. A variable of array type is defined to store 16-bit commands for MAX7219. A variable is declared to store the value of the token number. The token number is an unsigned integer and is initialized to 0.

A character table is stored in the flash memory of Arduino UNO using PROGMEM construct. This table contains the bytes that must be written to the LED segments for displaying digits 0 to 9.

A function spiTransfer() is defined that shiftOut() function to transfer 16-bit data to MAX7219 IC. Each 16-bit data contains two bytes, the first byte is the address of the MAX7219 register, and the second byte is the data to be written to a selected register. Both bytes are passed as arguments to this user-defined function.

A function clearDisplay() is defined, in which, spiTransfer() function is used to write 0x00 to all the digit registers clearing all the digits. A function shutdown() is defined, which uses spiTransfer() function to write data to the shutdown mode register of MAX7219.

A function init_7seg() is defined to initialize the display. In the function, first, the MOSI, SCLK, and CS pins are set to digital output. The CS pin is set to HIGH to select MAX7219 on the SPI bus. A value of 0x00 is transferred to display test register (register address 15 or 0x0F) using spiTransfer() function to set MAX7219 to normal mode. A value of 0x07 is transferred to the scan limit register (register address 11 or 0x0B), allowing all 8 digits. A value of 0x00 is transferred to decode mode register (register address 9 or 0x09) to select no decode for all digits.

A function setChar() is defined that writes a value to a digit register of MAX7219. Both value and digit are set as parameters of the function. In this function, first, a data validation for digit numbers and the value passed is done. The verified value is passed to a given digit register using the spiTransfer() function.

In the setup() function, init_7seg() and shutdown(false) functions are called. The spiTransfer(10, 8) function is called to set the intensity of the display. The display is cleared by calling the clearDisplay() function. The Arduino pins interfaced to push buttons are set as digital input using the pinMode() function.

A function displayToken() is defined to retrieve the individual digits of the token number and display them to respective 7-segment digit using setChar() function.

In the loop() function, Arduino tests for input, i.e., a logical LOW in this case, from the buttons interfaced to pins 7 and 8. If there is input at pin 7, it increases the token number by one and displays the updated token number by making a call to displayToken() function. If there is input at pin 8, it decreases the token number by one and displays the updated token number by making a call to displayToken() function. Otherwise, the token number remains unchanged and is refreshed on the display, again by making a call to the displayToken() function. The loop() function keeps iterating constantly checking for any updates to the user’s token number and repeatedly flashing the token number to the 7-segments.

Results

Demonstration video

You may also like:


  • SPI: What is the Serial Peripheral Interface Protocol?

Filed Under: Arduino Projects, Microcontroller Projects, Sensors, Tutorials, Video
Tagged With: Arduino
 

Next Article

← Previous Article
Next Article →

Questions related to this article?
👉Ask and discuss on EDAboard.com and Electro-Tech-Online.com forums.



Tell Us What You Think!! Cancel reply

You must be logged in to post a comment.

EE TECH TOOLBOX

“ee
Tech Toolbox: Internet of Things
Explore practical strategies for minimizing attack surfaces, managing memory efficiently, and securing firmware. Download now to ensure your IoT implementations remain secure, efficient, and future-ready.

EE Learning Center

EE Learning Center
“engineers
EXPAND YOUR KNOWLEDGE AND STAY CONNECTED
Get the latest info on technologies, tools and strategies for EE professionals.

HAVE A QUESTION?

Have a technical question about an article or other engineering questions? Check out our engineering forums EDABoard.com and Electro-Tech-Online.com where you can get those questions asked and answered by your peers!


RSS EDABOARD.com Discussions

  • Reducing "shoot-through" in offline Full Bridge SMPS?
  • High Side current sensing
  • How to simulate power electronics converter in PSpice?
  • Voltage mode pushpull is a nonsense SMPS?
  • Layout IRN reduction in Comparator

RSS Electro-Tech-Online.com Discussions

  • Back to the old BASIC days
  • Parts required for a personal project
  • PIC KIT 3 not able to program dsPIC
  • Failure of polypropylene motor-run capacitors
  • Siemens large industrial PLC parts

Featured – RPi Python Programming (27 Part)

  • RPi Python Programming 21: The SIM900A AT commands
  • RPi Python Programming 22: Calls & SMS using a SIM900A GSM-GPRS modem
  • RPi Python Programming 23: Interfacing a NEO-6MV2 GPS module with Raspberry Pi
  • RPi Python Programming 24: I2C explained
  • RPi Python Programming 25 – Synchronous serial communication in Raspberry Pi using I2C protocol
  • RPi Python Programming 26 – Interfacing ADXL345 accelerometer sensor with Raspberry Pi

Recent Articles

  • What is AWS IoT Core and when should you use it?
  • AC-DC power supply extends voltage range to 800 V DC
  • Infineon’s inductive sensor integrates coil system driver, signal conditioning circuits and DSP
  • Arm Cortex-M23 MCU delivers 87.5 µA/MHz active mode
  • STMicroelectronics releases automotive amplifiers with in-play open-load detection

EE ENGINEERING TRAINING DAYS

engineering

Submit a Guest Post

submit a guest post
Engineers Garage
  • Analog IC TIps
  • Connector Tips
  • Battery Power Tips
  • DesignFast
  • EDABoard Forums
  • EE World Online
  • Electro-Tech-Online Forums
  • EV Engineering
  • Microcontroller Tips
  • Power Electronic Tips
  • Sensor Tips
  • Test and Measurement Tips
  • 5G Technology World
  • Subscribe to our newsletter
  • About Us
  • Contact Us
  • Advertise

Copyright © 2025 WTWH Media LLC. All Rights Reserved. The material on this site may not be reproduced, distributed, transmitted, cached or otherwise used, except with the prior written permission of WTWH Media
Privacy Policy

Search Engineers Garage

  • Electronic Projects & Tutorials
    • Electronic Projects
      • Arduino Projects
      • AVR
      • Raspberry pi
      • ESP8266
      • BeagleBone
      • 8051 Microcontroller
      • ARM
      • PIC Microcontroller
      • STM32
    • Tutorials
      • Audio Electronics
      • Battery Management
      • Brainwave
      • Electric Vehicles
      • EMI/EMC/RFI
      • Hardware Filters
      • IoT tutorials
      • Power Tutorials
      • Python
      • Sensors
      • USB
      • VHDL
    • Circuit Design
    • Project Videos
    • Components
  • Articles
    • Tech Articles
    • Insight
    • Invention Stories
    • How to
    • What Is
  • News
    • Electronic Product News
    • Business News
    • Company/Start-up News
    • DIY Reviews
    • Guest Post
  • Forums
    • EDABoard.com
    • Electro-Tech-Online
    • EG Forum Archive
  • DigiKey Store
    • Cables, Wires
    • Connectors, Interconnect
    • Discrete
    • Electromechanical
    • Embedded Computers
    • Enclosures, Hardware, Office
    • Integrated Circuits (ICs)
    • Isolators
    • LED/Optoelectronics
    • Passive
    • Power, Circuit Protection
    • Programmers
    • RF, Wireless
    • Semiconductors
    • Sensors, Transducers
    • Test Products
    • Tools
  • Learn
    • eBooks/Tech Tips
    • Design Guides
    • Learning Center
    • Tech Toolboxes
    • Webinars & Digital Events
  • Resources
    • Digital Issues
    • EE Training Days
    • LEAP Awards
    • Podcasts
    • Webinars / Digital Events
    • White Papers
    • Engineering Diversity & Inclusion
    • DesignFast
  • Guest Post Guidelines
  • Advertise
  • Subscribe